Продается полностью и качественно отремонтированный и меблированный в 2025 году блок в таунхаусе в востребованном районе Таммелинн. Это просторный дом с продуманной планировкой, предлагающий уединение частного дома, но при этом готовый к немедленному заселению – идеальный выбор для семьи или в качестве инвестиции.
Таммелинн – один из самых ценных жилых районов Тарту, отличающийся спокойной и зеленой обстановкой. Все необходимое для жизни находится поблизости – школы, детские сады, магазины и общественный транспорт удобно расположены в шаговой доступности, а центр города всего в нескольких минутах езды.
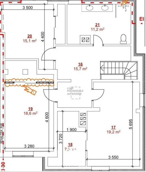
Общая площадь квартиры составляет 236,6 м², из которых цокольный этаж – 72,5 м², 1-й этаж – 77,3 м², а 2-й этаж – 86,8 м². Дом, расположенный на трех этажах, просторный и хорошо спланированный. На 1-м этаже расположены просторная гостиная, отдельная кухня и столовая зона, две спальни, прихожая, коридор и туалет, а также выход на террасу. На 2-м этаже находятся лестничный холл, три спальни, гардеробная и туалет. Во всех спальнях есть большие гардеробные, обеспечивающие удобное и практичное место для хранения.
Цокольный этаж включает комнату отдыха, банный комплекс (моечная и парная), техническое помещение и несколько подсобных помещений, подходящих для хранения или хобби.
Дом был тщательно отремонтирован, обновления были произведены на всех этажах. В цокольном этаже углублены полы и установлена система подогрева полов, обновлена вся электросистема с новым электрощитом, водопровод и система отопления. Залиты новые полы, для отделки использованы высококачественные материалы. В зоне сауны установлен современный электрический парогенератор Saunum с вентиляцией, управляемый через телефон.
На первом этаже жилые помещения получили свежую отделку, установлены новые паркетные полы и новая кухонная мебель. Обновлена система отопления (радиаторы), в основном заменена электросистема. В коридоре отопление реализовано электрическим подогревом пола, а для дополнительного комфорта на 1-м этаже имеется кондиционер, обеспечивающий приятный микроклимат в летнюю жару.
На втором этаже все конструкции и отделка новые – обновлены наружные стены, стропила и крыша, уложен новый паркет, в ванной комнате установлен подогрев пола, заменены все окна.
Придомовая территория также полностью обновлена – уложена новая брусчатка, обновлен фасад и система водоотведения. Во дворе новая терраса и новый газон, уход за которым облегчает робот-газонокосилка (входит в стоимость продажи). Кроме того, установлено новое наружное освещение и электрические розетки сзади и сбоку дома.
Квартира продается с мебелью, что позволяет новому владельцу немедленно заселиться без дополнительных затрат. Дом включает в себя частную террасу и собственный двор, что создает прекрасную возможность наслаждаться отдыхом на свежем воздухе и проводить время с семьей. Парковка удобно организована на территории, а дом всего на два блока обеспечивает спокойную и уединенную среду проживания.
Это идеальный дом для тех, кто ценит простор, качество и современные решения в отличном месте.
Lahe Kinnisvara – САМОЕ РЕКОМЕНДУЕМОЕ АГЕНТСТВО НЕДВИЖИМОСТИ в Эстонии по версии Google!
Закажите у нас:
УСПЕШНАЯ ПРОДАЖА НЕДВИЖИМОСТИ: наши клиенты отмечают скорость продажи, гладкость процесса, уверенность и ситуации, когда цена продажи оказалась даже выше ожидаемой. Свяжитесь с нами: www.lahekinnisvara.ee/maaklerid
БЫСТРАЯ ОЦЕНКА НЕДВИЖИМОСТИ: у нас работает наибольшее количество национально признанных экспертов и оценщиков 7-го уровня квалификации. Клиенты отмечают нашу тщательность, скорость, точность и профессиональное общение. Свяжитесь с нами: www.lahekinnisvara.ee/hindamine
НАДЕЖНОЕ УПРАВЛЕНИЕ АРЕНДОЙ: мы находим надежных арендаторов, проводя проверку данных и составляя юридически корректные договоры. Свяжитесь с нами: www.lahekinnisvara.ee/maaklerid
УПРАВЛЕНИЕ: чтобы ваша недвижимость была в сохранности, мы управляем ею, исходя из интересов и пожеланий владельца. Свяжитесь с нами: www.lahekinnisvara.ee/haldus
СОТРУДНИЧЕСТВО С БАНКАМИ, чтобы клиенты Lahe Kinnisvara получили лучшее предложение по жилищному кредиту. Спросите у маклера или оценщика о предложении SEB для клиентов Lahe Kinnisvara. До 31.03 действует особое выгодное предложение!